time:2017-07-30 16:10:00 browse:4829次
Division I to the public, two kinds of air-cooled air conditioning can be installed as required water condenser energy saving pipe system technology and intelligent dimming, on-demand remote control color temperature LED energy-saving street lamp patented technology. The following three patented technologies have been published in the 20 and forty-second issue of "electronic newspaper" in October 2013, providing the patent right for refrigeration enthusiasts, refrigeration repair shops and LED enthusiasts. In case any entity or individual uses any of the above patent technologies for commercial purposes as an infringement, it is bound to be investigated.
Two kinds of air cooling air conditioning can be installed on the water condenser of energy-saving pipe system patent technology
Patent application number: 201310374752.X, inventor: Deng Mingjian (Chongqing), engaged in refrigeration professional research for 35 years, proficient in radio, electrical technology. "Air conditioning can be designed according to the structure of the need to install energy-saving condenser water pipes" patent technology, is expanded in the air conditioning air cooled condenser pipe valve to the end of the entrance end of the on-demand installation of a set of water-cooled condenser assembly. The condenser assembly comprises a bell mouth, a bolt connecting branch pipe and a water cooling condenser coil. The two ends of the water cooling condenser are connected with the pipe end of the air cooling condenser to the inlet end of the expansion valve by the way of bolt assembly. The invention has very good condensation effect. The principle is: can be arbitrary as air conditioning
condensation process using advanced wind cooling condenser, after two times of water cooled condenser, two-stage condensation condensation formation, so as to effectively solve the traditional air conditioning single air-cooled condensation mode result in condensation of high pressure, high temperature refrigerant compressor, heavy load, high temperature, wear and big noise, high energy consumption, the problem of poor refrigeration effect. The present invention has the advantages of strong adaptability and convenient disassembly and assembly, because the water cooling condenser energy saving pipe system is additionally installed in the traditional air cooling air conditioner, thereby improving the refrigerating heating power by 30%, and reducing the operating current by about 30%.
After the installation of water-cooled condenser with 3P air-cooled air conditioner, it is illustrated that the working area is the main city of Chongqing and the working environment temperature is 39 degrees centigrade. When the air cooled air through air cooled condensing after condensing pressure is about 18 kg, the corresponding temperature of the refrigerant is 48 degrees Celsius, refrigerant again into the water-cooled condenser (i.e. energy-saving pipe system) when the condensation pressure drop of about 13 kilograms, the corresponding temperature of the refrigerant is about 38 degrees. Because the refrigerant at about 38 DEG C in the water cooled condenser pipe passes through the cooling water which has a temperature of 28 DEG C, the water is directly dipped and cooled, and finally the refrigerant is cooled to about 28 DEG C. The refrigerant enters the evaporator absorbs heat, the working current is 10 amperes or dips (current traditional 3P air conditioning for 13 amperes or so), so it can effectively solve the problem of traditional air conditioning condensing pressure caused by single air-cooled condensing refrigerant compressor, high temperature, high load, high temperature, abrasion, high noise, high energy consumption poor, refrigeration efficiency.
1. Air cooling air conditioning has patented technology of energy-saving pipe system which can install water condenser as needed
With "the manufacturing process required the installation of water pipe condenser energy-saving function air conditioning products: air conditioning in the normal manufacturing process, the air conditioning air cooled condenser end to the capillary entrance off, as shown: the installation of a valve, the cut-off valve with two valve ends.
Water condenser manufacturing process: the weight of about 1-2 kilograms, about 6-10mm diameter copper tube. The two ends of the connecting plate are connected with the two stop valves, and the connecting way is connected with a bell bolt, and the remaining copper pipe is a water cooling condenser".
With the installation of water pipes according to the needs of energy saving products operation function of condenser: close the valve (8) cut off the original pipeline, open the stop valve (7), (9), start the air conditioning work, add one kilogram of refrigerant. After the addition, the water cooled condenser installed on the inlet shall be put into the nearby pool for direct immersion and cooling. At this time, "air cooling air conditioning with water condenser can be installed on demand function of energy-saving pipe system" will be put into normal work.
The air-conditioning energy saving pipeline technology is generally used by air conditioner manufacturers to produce standard air-cooled air conditioners in workshops. The air-conditioning products produced by this technology can be used in such areas as the Middle East, Southeast Asia, North Africa, Chongqing, Wuhan, Nanjing, Fuzhou and other areas where the environmental temperature is above 35 degrees celsius.
With "may need to install water condenser, energy-saving pipeline" function, air-cooled air conditioning products patent technology drawings

wo. The patented technology of the energy-saving condenser pipe for water cooled air conditioning
The general air conditioning according to need to install energy-saving water-cooled condenser pipes, only the air-cooled condenser end to the capillary entrance open, use the weight of 1-2 kg, a diameter of about 6-10mm copper tube, both ends of the brazed joint, after connecting up excess copper is a water cooling condenser, start the air conditioning air to the refrigerant, join will be completed according to modified water-cooled condenser energy-saving pipeline into the pool near the immersion cooling, put into normal use.
Technical diagram of energy-saving pipe for water cooled air conditioner refitted by water condenser on demand
The invention is a LED energy-saving street lamp which is controlled by the utility model with intelligent dimming, and is controlled by remote control to change the color temperature. The utility model has obtained the national utility model patent. Free use of LED enthusiasts only free of charge. In case any entity or individual uses this technology for commercial purposes as an infringement, it is bound to be investigated.
Intelligent dimming, on-demand remote control, color change, LED energy-saving street lamp, patent technology
Patent number: ZL201320028126.0: Inventor: Deng Mingjian, chairman of Chongqing Green Technology Development Co., ltd.. Inventor has long been engaged in LED lighting research and development and application, proficient in LED lighting technology.
The invention relates to a novel energy-saving LED street lamp with remote control and color change according to the requirement of intelligent dimming. The structural components include the LED lamp group, the drive power supply and the control system. The LED lamp group including parallel arranged warm white LED lamps and white LED lamp group; control system includes a remote control with a dimming temperature controller to receive the control signal to control the power supply output terminal warm white LED lamp group and the white LED lamp group and a control signal to the dimming the temperature controller sends the. The principle is: a dimming temperature controller is connected in series between the driver and the warm white LED lamps and white LED lamp group; remote controller with the first button to send warm light control signals, a dimming temperature controller receives the control signal after the warm light control driving power output end is connected into the warm white LED lamp the warm white LED light emitting group; remote control also is provided with a luminescent control signal of the second button, a dimming controller receives the control signal after the cold temperature control driving power output terminal are white LED lamps that are white LED luminous lamp group; remote control device is also arranged for a hybrid optical control signal the third button, a dimming temperature controller receives the control signal after mixing light control power supply access at the same time are white and warm white LED lamp LED lamp group is white and warm white light LED lamp group LED group and remote control and dimming light; Infrared remote control is adopted between the palette temperature controller.
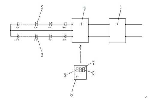
The schematic diagram of the structure of the invention is as shown in Fig. (1): the intelligent dimming of the embodiment of the utility model can remotely control the color changing LED energy-saving street lamp according to the requirement, comprising a LED lamp set, a driving power supply (1) and a control system. The LED lamp group including parallel set warm white LED lamp group (2) and white LED lamp group (3); control system includes receiving a control signal to regulate the supply of warm white LED lamp group (2) and LED group (3) white light dimming temperature controller current (4) and to dimming color temperature controller (4) sends the remote control signal (5). The warm white LED lamp set (2) is led to be 2500K warm colored light, and the white LED lamp set (3) is led to be 6000K cold colored light, and a warm white LED lamp set (2) is opened with a white LED lamp set (3) at the same time to produce a mixed light of about 4000K. Warm white LED lamp group (2) and white LED lamps (3) are used to install the same way with the traditional LED lamp and connecting structure, and using a large glass lens with a light, the light distribution with city lighting requirements, road average brightness, total brightness uniformity, longitudinal uniformity and uniform illumination other indicators are good, while using high-power XP_E packaging LED lamp beads, good stability, high reliability. LED lamp with dense arrangement, in different seasons remote warm white LED lamp (2) or white LED lamp group (3), a different color of light.
The dimming and toning temperature controller (4) is connected in series between a driving power supply (1), a warm white LED lamp set (2) and a positive white LED lamp set (3). The driving power supply (1) is connected with the city power input, and converts the city electricity into a direct current which can be directly used by the heating white LED lamp set (2) and the white LED lamp unit (3). This series can be directly and effectively control the power supply output terminal (1) warm white LED lamp group (2) and white LED lamp group (3), with a different color of light, suitable for people in different seasons to the comfortable enjoyment of the senses.
The remote controller (5) of the present invention is provided with a first button (6) for emitting a warming control signal. When a dimming temperature controller (4) receives a warm light control signal, the control power supply (1) output terminal warm white LED lamp group (2), the warm white LED lamp group (2) issued a warm light color temperature of 2500K, suitable for spring and winter two season, in order to give people the sense warm.
The remote controller (5) of the present invention is provided with a second button (7) for emitting a cold light control signal. When a dimming temperature controller (4) receives the light control signal, control power supply output terminal (1) are white LED lamp group (3), the white LED lamp group (3) issued 6000K cold light color temperature, suitable for hot summer, give the sense of cool.
The remote controller (5) is also provided with a control signal to a hybrid optical third button (8); the dimming temperature controller (4) receives the control signal after mixing light control power supply (1) output and access are white LED lamp group (LED group (3 and warm white light 2) the white LED lamp group (3) and LED group (2) white light shining at the same time, a mixture of light about 4000K, between the light color is white and yellow light, suitable for use in autumn, color coordinated with the surrounding environment.
In this embodiment, the remote controller (5) and a dimming temperature controller (4) between the infrared remote control, dimming temperature controller (4) includes a micro controller, infrared input identification circuit and a relay switch part, people go by infrared remote signal transmission in the street below, because the infrared has a certain the direction, and the effective distance of 30 meters, the street not adjacent interference, and the infrared signal has a certain encoding, so the body and other light emitted from the infrared light does not affect the normal reception of lamp, in order to prevent illegal interference and nearby residents to control lights, using a plurality of remote control signals to control the lamp the input at the same time, improve the reliability of the control signal of the micro controller with power-off memory function, after debugging, each light will according to a color of the lights In order to ensure the consistency of the color temperature, it is only a few seconds to change the state of the lamp, so it can be controlled on the car, the dimming efficiency is high, and the cost is low, which is beneficial to promotion.
The utility model has the advantages of intelligent adjustable light LED energy-saving lamps to transform the remote control according to the color temperature, color temperature is provided with a plurality of luminous lamp group and control system of remote control lamp group colored current size, LED energy saving lamp color temperature according to the specific needs of people subjective control, without geographical restrictions, climate differences, through adjusting the lamp shades can make people enjoy in different seasons and the environment temperature is not the same visual experience, to meet the people's need to use; the light source and control alternating, service life than the general LED tunnel lights, street lamps increased more than two times, the pavement evenness, low maintenance cost. For tunnel, urban road lighting, the use of "contract energy management" mode, the implementation of energy-saving transformation, the effect is excellent.
Structure diagram of LED energy-saving street lamp for remote control and color change by intelligent dimming

The invention is a LED energy-saving street lamp which is controlled by the utility model with intelligent dimming, and is controlled by remote control to change the color temperature. The utility model has obtained the national utility model patent. Free use of LED enthusiasts only free of charge. In case any entity or individual uses this technology for commercial purposes as an infringement, it is bound to be investigated.
